フィレットを作成する場合、指定Rによっては、エラーになる事があります
フィレット作成順序を変更してみたり、徐辺機能で試行錯誤が必要です
それでも、狭い箇所へ大きな幅のフィレットは簡単には作成できません。
また、単純な単一Rではなく、複合要素やスプライン形状のフィレットを作成したい場合、フィレットコマンドでは作成できません
断面形状をスケッチし、スイープする事になりますが、ここでも狭い領域には作成してくれません
今回は、筆者自身も必要になり、いろいろやってみて、どうにか描けた方法を紹介します
下記でサンプルモデルのダウンロードできます
自動では大きいフィレットはエラーになる

まずこのポケット輪郭に、普通にフィレットを作成してみましょう


R3までは、問題ないですが、それ以上になるとエラーになってしまいます
輪郭の法線方向の幅が方側方向から指定R未満の距離になる箇所ではフィレットは作成できません
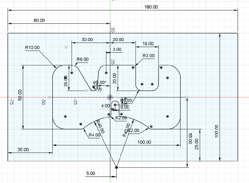
今回は、最小片側幅3mmの輪郭に片側10mm幅のフィレットを考えてみます
今回やってみた方法は、基本的には法線方向で綺麗なフィレットは作成できませんが、作成できる箇所は自動で作成し、それ以外は自由曲面でごまかして描きました。
自動作成くれないフィレットRや複合形状はスイープを使用
例えば、下図のようなポケット形状の上面にフィレットを作成する場合を考えてみます


このポケットモデルの上面に平面幅10mm、深さ5mmの断面形状でフレットを作成してみたいと思います
フィレット幅が10mmなので、ポケット輪郭に対して、10mm以上の完全オフセット輪郭が描ければ、スイープコマンドで、簡単に作成できると思います。
しかし、ポケット輪郭を10mmオフセットさせてみた下図では、3か所の矢印部分では、要素が抜けてしまっていて、正常にオフセットされていません

要素抜けなくオフセットされている箇所では問題ないとして、要素抜け部分にR10に編集します
まずは自動的にオフセットさせた輪郭の、オフセット拘束を解除し、要素が抜けた矢印部分にR10mm以上のフィレットを追加します。
R10フレットが作成できる場合には、平行拘束は自動的に解除されます。

凹部分が、フィレット幅以上のRになれば、その輪郭をパスにして、スイープコマンドで断面プロファイルと輪郭パスで簡単にボディを作成できます

フィレット幅よりも小さい内Rは、フォレット幅よりも大きくしたRに編集すれば、スイープできます
基本ポケットボディから引き算
基本のポケットボディから、断面のプロファイルを修正した輪郭でスイープしたボディで引き算すれば、輪郭編集した以外の箇所はフィレットモデルが作成されますが

上図でR10を追加した部分は、引き算できなくて残ってしまっています
この部分は、邪魔なので取り除きます。
この部分は、R10追加した輪郭を、逆にオフセットした輪郭(赤線)を深さ(5mm)だけ押し下げたボディで引き算する事で取り除けます


これで、シンプルな部分には、正常なフィレットが作成できました
サーフェスモードで、穴埋めする
ここで、Fusionを「サーフェス」モードにして、不要面を削除します
面選択で「Deleteキー」で削除できます。
「Shift」を押しながら選択すると、複数面選択できます。


不要面の削除できたら、「サーフェイス」⇒「パッチ」で境界エッジをマウスカーソルで選択する事で境界が全周が選択されれば、自動的に曲面を作成してくれます

ただし、作成した曲面部分は面属性になっています
ステッチでボディ化して完成
この状態では、まだ完全にボディにはなっていないので、「サーフェス」⇒「ステッチ」コマンドでフェイスの隙間を埋めてボディにしてくれます


フィレットコマンドや、スイープだけでは描けない幅広いフィレットも、ソリッド化できました。
ただ、輪郭形状の法線方向の幅よりも大きいフィレットを作成しようとしているので、どこかに無理がでてしまいます。
今回は、サーフェスのパッチコマンドのデフォルト機能で描けない面を埋めてもらいましたが、この曲面が気に入らない場合に、さらにサーフェス機能を駆使して作成する事になりますがとりあえずボディ化できました
サンプルダウンロード
パッチで作成した曲面の変形
パッチで作成した曲面形状が気に入らない場合は、サーフェスモードで試行錯誤する事になると思います。
ただ、パッチ作成時に、ガイドカーブを指定する事で、ある程度簡単にカーブに添わせた形状に変形する事は可能です
一例としては変更した曲面の断面を取り出し、断面のスケッチにガイドカーブを描きます

編集したい曲面を一度削除し、再度「パッチ」コマンドを指定します
パッチの境界線を設定し、「内部レールまたは点」で、作成したガイドカーブを指定します



コメント